-
韓東齒式氣動離合器HTP-20
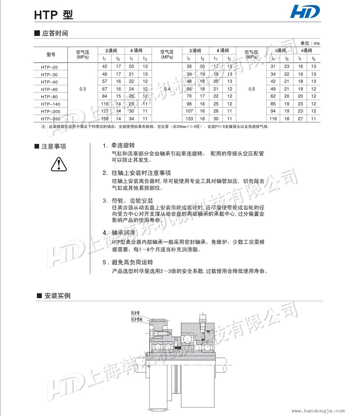
詳細信息| 詢價留言品牌:HD 型號:HTP-20/HTP-30/HTP-40/HTP-60/HT 材料:鑄鐵 規格:國標 扭矩:200 適用范圍:100-3000 重量:12 轉速:1000 適用范圍:100-3000 技術參數:
品 名:氣動齒式離合器HTP系列
型 號:HTP
重 量:8—30(kg)
外形尺寸:125x125x95(mm)
氣 壓:0.1bar-6bar
制動扭矩:10—100000N.M
常備型號:HTP-20/HTP-30/HTP-40/HTP-60/HTP-80/HTP-150/HTP-200/HTP-350
產品根據客戶實際工況確定型號
氣動齒式離合器HTP特長:
1,高轉矩,不滑落: 因由齒輪的咬合來傳達轉矩,盡管小型,卻無滑落
2,傳達的轉矩基本為一定值: 因不受安裝誤差的影響,傳達的扭矩和旋轉數無關,基本為一定值。
3,組裝簡單:因為是一體化構造,安裝時,不需要調齊齒芯。
4,優越的應答性能:因連接和放開,均在瞬間動作,齒輪的飛轉也并無損傷,壽命長。
5,可能高速連接:因是氣壓作動,所以和電磁式比較,可以實現高速旋轉時的連結。
詳細參數(尺寸圖):
-
-
產品搜索
留 言
- 聯系人:宋經理
- 電 話:152-0180-5440
- 手 機:15201805440
- 傳 真:021-57636570
- 郵 箱:songyulu@sh-handong.com
- 郵 編:201615
- 地 址:上海松江區伴亭路488號
- 網 址: https://shzqwm2016.cn.goepe.com/
http://www.344c.cn






